foto1
Stage Pro-sound
foto1
Stage Pro-lighting
foto1
Tube Amplifier
foto1
Disco Bar
foto1
Karaoke & Bistro Systems
e-mail: soundlightingvn@gmail.com
Phone: +84 903 923 527

MISCELLANEOUS ITEMS

Ai đang truy cập

We have 22 guests and no members online

03041554
Hôm nay
Hôm qua
Tất cả
384
357
3041554

10-10-2025 21:11

Đăng ký/đăng nhập

Welcome, Guest
Username: Password: Remember me

TOPIC: Quấn Biến Thế Xuất Âm cho Ampli Đèn

Quấn Biến Thế Xuất Âm cho Ampli Đèn 23 Mar 2014 13:24 #1754

  • 10
  • 10's Avatar
  • Offline
  • Moderator
  • Posts: 233
  • Thank you received: 46
  • Karma: 2
Chào các bạn.
như mọi người đã biết,ampli đèn thông dụng khi hoạt động phải có biến áp xuất âm.
-vậy biến áp xuất âm là gì và chế độ hoạt động ra sao,chúng ta cùng phân tích nhé.

-Với ít kiến thức ít ỏi cóp nhặt từ các trang mạng ,cùng với vài lần thực hành thành công .tôi mạo muội cưởi mở cùng mọi người với hy vọng giúp được các bạn đang yêu thích ampli đèn có thể tự mình quấn lấy một cặp OPT tự chơi theo riêng mình.
The administrator has disabled public write access.
The following user(s) said Thank You: ngvtanhb

Re: Quấn Biến Thế Xuất Âm cho Ampli Đèn 23 Mar 2014 13:27 #1755

  • ngvtanhb
  • ngvtanhb's Avatar
  • Offline
  • Gold Boarder
  • Posts: 218
  • Karma: 0
Hi anh @10.
Cám ơn anh mở cái tipoc này, em dạo này thai nghé cái Opt mà "rặn" chẳng biết kiểu gì, Hihi.
Nhắn tin trước dành vị trí #002 cái đã, Rồi sẽ tính tiếp nhé :woohoo: :woohoo:
Last Edit: 23 Mar 2014 13:37 by ngvtanhb.
The administrator has disabled public write access.

Re: Quấn Biến Thế Xuất Âm cho Ampli Đèn 23 Mar 2014 13:33 #1756

  • 10
  • 10's Avatar
  • Offline
  • Moderator
  • Posts: 233
  • Thank you received: 46
  • Karma: 2
ok anh. a có thắc mắc gì cứ post.tôi biết gì sẽ hồi âm.tôi bí thì nhờ các bạn rành hơn đi ngang qua hướng dẫn thêm.
với tiêu chí {made in TỰ TAY } nên hay dở gì cũng điều sướng cả. :lol:
The administrator has disabled public write access.

Re: Quấn Biến Thế Xuất Âm cho Ampli Đèn 23 Mar 2014 13:38 #1757

  • ngvtanhb
  • ngvtanhb's Avatar
  • Offline
  • Gold Boarder
  • Posts: 218
  • Karma: 0
Anh @10.
Việc đầu tiên để quấn biến thế là cái đồ nghề, gồm có tối thiểu là gì để làm, có thể mình đo kiểm tự tin là mình làm được mà không phải kiểu làm xong còn có tư tưởng cầu may, hênh xui.........
Ví dụ cần có :
Máy quấn
Đồng hồ đo LCR
.............
Anh @10 tiếp giúp em ạ (tối thiểu thôi nhé, đừng nêu những đồ nghề chuyên nghiệp bá cháy, xạc nghiệp á
The administrator has disabled public write access.

Re: Quấn Biến Thế Xuất Âm cho Ampli Đèn 23 Mar 2014 13:56 #1758

  • 10
  • 10's Avatar
  • Offline
  • Moderator
  • Posts: 233
  • Thank you received: 46
  • Karma: 2
-quấn OPT dùng máy=tay. :laugh: .

-tối thiểu kiếm cái đồng hồ đo LCR loại cầm tay có tần số test 1khz.
-Fe loại mỏng 0.27mm-0.35mm tàu -nga-nhật-mỹ điều được.
-giấy cách điện cho sơ 0.05mm,cho thứ 0.2mm cách điện được 600v.
và dĩ nhiên phải có dây đồng.mua loại dây 200 độ C.
->accc sần thôi. :lol:
The administrator has disabled public write access.
The following user(s) said Thank You: ngvtanhb

Re: Quấn Biến Thế Xuất Âm cho Ampli Đèn 23 Mar 2014 14:01 #1759

  • ngvtanhb
  • ngvtanhb's Avatar
  • Offline
  • Gold Boarder
  • Posts: 218
  • Karma: 0
Hi anh @10
Bây giờ, giúp em để đọc lại datasheet con el34 để mình có thể bắt đầu làm cái Opt cho nó.









Ở đây nó có 2 Mode Pentode Connection và Triode Connection. Anh có thể giải thích cái dzụ này không, đọc chả hiểu mo tơ gì, nên như đang bị “táo bón” chẳng mần gì được ráo.
Vậy ý tưởng thiết kế, nếu chọn Pentode Connection, xuống đọc cái mục như hình vì thấy Pout là 54W, nên ưa công suất to, thì chọn OPT cái thông số này đúng không?



Có nghĩa OPT này có trở kháng sơ cấp là 3,5K ohm.
Cũng mông lúng cái nữa vì hiện tại có thấy OPT ở nhà là sơ cấp có 5 đầu ra(có 2 cọc UL), còn cũng thấy có cái OPT phía sơ cấp có 3 đầu ra. Vậy mình nên chọn kiểu quấn nào, tiện mà “ngon” hihi
Anh tư vấn tổng thể và nêu ra tiêu chí để có thể làm. Cứ từ từ thôi nhé, anh mà làm 1 mạch là em “hòa vốn” mất :lol:
The administrator has disabled public write access.

Re: Quấn Biến Thế Xuất Âm cho Ampli Đèn 23 Mar 2014 15:18 #1760

  • ngvtanhb
  • ngvtanhb's Avatar
  • Offline
  • Gold Boarder
  • Posts: 218
  • Karma: 0
Hi anh @10.
Hichic, rảnh giúp em với nhé, ý muốn làm opt là làm theo datasheet tận gốc rễ để có thể "múa" được.
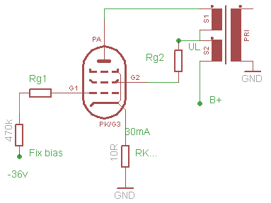
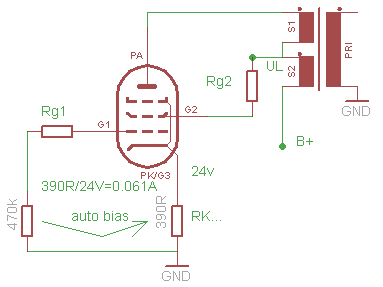
Bữa trước có người hỏi, Ampli chạy kiểu gì, fix bias hay autobias. DO làm theo sơ đồ sẵn có trên mạng, nên chả biết nó kiểu gì, có tìm hiểu thì là fix bias :cheer: :cheer:
Vì vậy, muốn "bấu" vào cái con El34 này, để hiểu là mình đang làm gì và theo cái nào trên dadasheet :woohoo:
Hay cái nào lạc đề mách em, để đặt câu hỏi khác nha. Heeeeeeeeeee
The administrator has disabled public write access.

Re: Quấn Biến Thế Xuất Âm cho Ampli Đèn 24 Mar 2014 12:05 #1761

  • 10
  • 10's Avatar
  • Offline
  • Moderator
  • Posts: 233
  • Thank you received: 46
  • Karma: 2
Tôi tính viết nhiều thứ hơn nữa mà thấy anh úp mấy cái thông số này rồi thì...
-vậy giờ chúng ta chỉ cần bám vào cái thông số đã cho sẵn mà làm thôi. :)

Như a hỏi các chế độ chạy thế nào auto,hay fix thì e nói đơn giản như sau.
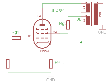
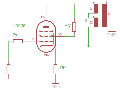
-Đèn EL34 là đèn 5 cực hướng chùm pentode có 3 cách hoạt động khi dùng OPT như sau.
1.Triode



2.Ulltra line (UL)



3.phân cực lưới chắn.(theo cách tôi gọi)

The administrator has disabled public write access.
The following user(s) said Thank You: ngvtanhb

Re: Quấn Biến Thế Xuất Âm cho Ampli Đèn 24 Mar 2014 12:08 #1762

  • 10
  • 10's Avatar
  • Offline
  • Moderator
  • Posts: 233
  • Thank you received: 46
  • Karma: 2
Tiếp...
chế độ hoạt động auto và Fix hay nói chính xác là cài đặt chế độ hoạt động mạnh yếu theo ý mình...

-Autobias




-Fix bias

The administrator has disabled public write access.
The following user(s) said Thank You: ngvtanhb

Re: Quấn Biến Thế Xuất Âm cho Ampli Đèn 24 Mar 2014 12:18 #1763

  • 10
  • 10's Avatar
  • Offline
  • Moderator
  • Posts: 233
  • Thank you received: 46
  • Karma: 2
ngvtanhb wrote:
Hi anh @10




Có nghĩa OPT này có trở kháng sơ cấp là 3,5K ohm.
Cũng mông lúng cái nữa vì hiện tại có thấy OPT ở nhà là sơ cấp có 5 đầu ra(có 2 cọc UL), còn cũng thấy có cái OPT phía sơ cấp có 3 đầu ra. Vậy mình nên chọn kiểu quấn nào, tiện mà “ngon” hihi
Anh tư vấn tổng thể và nêu ra tiêu chí để có thể làm. Cứ từ từ thôi nhé, anh mà làm 1 mạch là em “hòa vốn” mất :lol:

-Tiếp theo ta dựa theo bảng data có sẵn này để quấn OPT cho dễ.
như trên ta có kí hiêu (Ra-a ) là tổng trở giữa Anot đèn bên trái và đèn bên phải là 3500R.po=54wat.
-thường Loa hí end trên thị trường nghe nhạc tương đối một chút điều có trở kháng là 8R.
vậy OPT sẽ có trở kháng 3k5/8R/54wat.

-bây giờ tính toán sao cho được 3k5 với tải 8R? chọn fe sao cho đạt được 54wat?
cách quấn san uých hay úp thìa để đạt được giải thông 20hz-20khz?

Chà chà nhiều nghi vấn quá.phải từ từ giải quyết từng bước mới được. (DỤC TỐC BẤT ĐẠT) mà:P
The administrator has disabled public write access.
The following user(s) said Thank You: ngvtanhb
Moderators: 10
Time to create page: 0.091 seconds