foto1
Stage Pro-sound
foto1
Stage Pro-lighting
foto1
Tube Amplifier
foto1
Disco Bar
foto1
Karaoke & Bistro Systems
e-mail: soundlightingvn@gmail.com
Phone: +84 903 923 527

MISCELLANEOUS ITEMS

Ai đang truy cập

We have 34 guests and no members online

03041569
Hôm nay
Hôm qua
Tất cả
399
357
3041569

10-10-2025 21:15

Đăng ký/đăng nhập

Welcome, Guest
Username: Password: Remember me

TOPIC: Chào bác Phúc, cho cháu xin mạch amply đèn 100w

Chào bác Phúc, cho cháu xin mạch amply đèn 100w 25 Nov 2011 16:45 #763

  • nguyenthehuy89
  • nguyenthehuy89's Avatar
  • Offline
  • Fresh Boarder
  • Posts: 5
  • Karma: 0
Cháu chào bác Phúc, cháu là lính mới :unsure: , bác có thể cho cháu xin mạch amply đèn 100w (power amp + pre amp). sơ đồ phức tạp tý cũng không sao, miễn là chất lượng âm thanh tốt, sử dụng loại đèn nào dễ tìm trên thị trường là được, cháu có thể từ từ nghiên cứu và tự ráp cho mình một chiếc amply đèn là được. Cháu cảm ơn bác!;)
The administrator has disabled public write access.

Re:Chào bác Phúc, cho cháu xin mạch amply đèn 100w 25 Nov 2011 19:17 #764

  • tuyenphuc
  • tuyenphuc's Avatar
  • Offline
  • Administrator
  • Posts: 536
  • Thank you received: 93
  • Karma: 9
Tôi gởi cho em vài sơ đố của tube amp công suất lớn. Trong này loại 2 đèn công suất thì khoảng 60 watt, nếu muốn lớn hơn thì thêm 2 đèn nữa paralell là thành 100w.

Pre-amp của hãng xịn rắc rối lắm, không theo nó được đâu, em tự chế là được rồi. Nếu em cần, tôi sẽ post lên, nhưng đợi phải kiếm ra đã, tôi có cả vài ngàn sơ đồ, để lâu quên không biết thứ mình cần đơn giản nó nằm ở đâu.

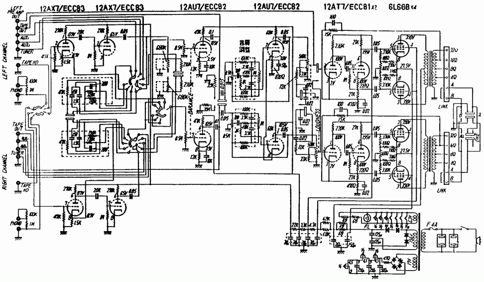
Trước hết là Grant
Attachments:
Last Edit: 25 Nov 2011 19:25 by tuyenphuc.
The administrator has disabled public write access.

Re:Chào bác Phúc, cho cháu xin mạch amply đèn 100w 25 Nov 2011 19:26 #765

  • tuyenphuc
  • tuyenphuc's Avatar
  • Offline
  • Administrator
  • Posts: 536
  • Thank you received: 93
  • Karma: 9
The administrator has disabled public write access.

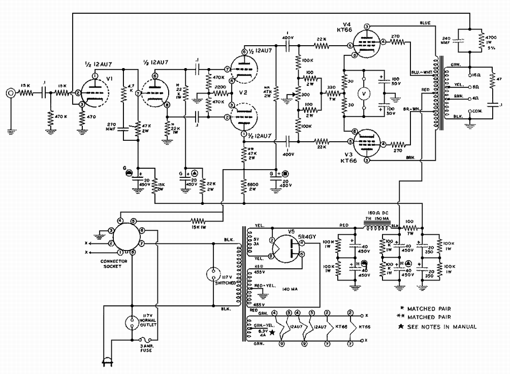
Re:Chào bác Phúc, cho cháu xin mạch amply đèn 100w 25 Nov 2011 19:27 #766

  • tuyenphuc
  • tuyenphuc's Avatar
  • Offline
  • Administrator
  • Posts: 536
  • Thank you received: 93
  • Karma: 9
Grant.

The administrator has disabled public write access.

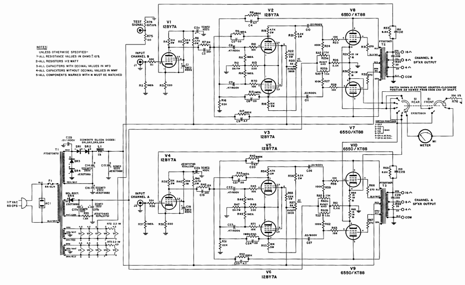
Re:Chào bác Phúc, cho cháu xin mạch amply đèn 100w 25 Nov 2011 19:30 #767

  • tuyenphuc
  • tuyenphuc's Avatar
  • Offline
  • Administrator
  • Posts: 536
  • Thank you received: 93
  • Karma: 9
Harman Kadon

The administrator has disabled public write access.

Re:Chào bác Phúc, cho cháu xin mạch amply đèn 100w 25 Nov 2011 19:34 #768

  • tuyenphuc
  • tuyenphuc's Avatar
  • Offline
  • Administrator
  • Posts: 536
  • Thank you received: 93
  • Karma: 9
Harman Kadon

The administrator has disabled public write access.

Re:Chào bác Phúc, cho cháu xin mạch amply đèn 100w 25 Nov 2011 19:35 #769

  • tuyenphuc
  • tuyenphuc's Avatar
  • Offline
  • Administrator
  • Posts: 536
  • Thank you received: 93
  • Karma: 9
Harman Kadon

The administrator has disabled public write access.

Re:Chào bác Phúc, cho cháu xin mạch amply đèn 100w 25 Nov 2011 19:37 #770

  • tuyenphuc
  • tuyenphuc's Avatar
  • Offline
  • Administrator
  • Posts: 536
  • Thank you received: 93
  • Karma: 9
Marantz

The administrator has disabled public write access.

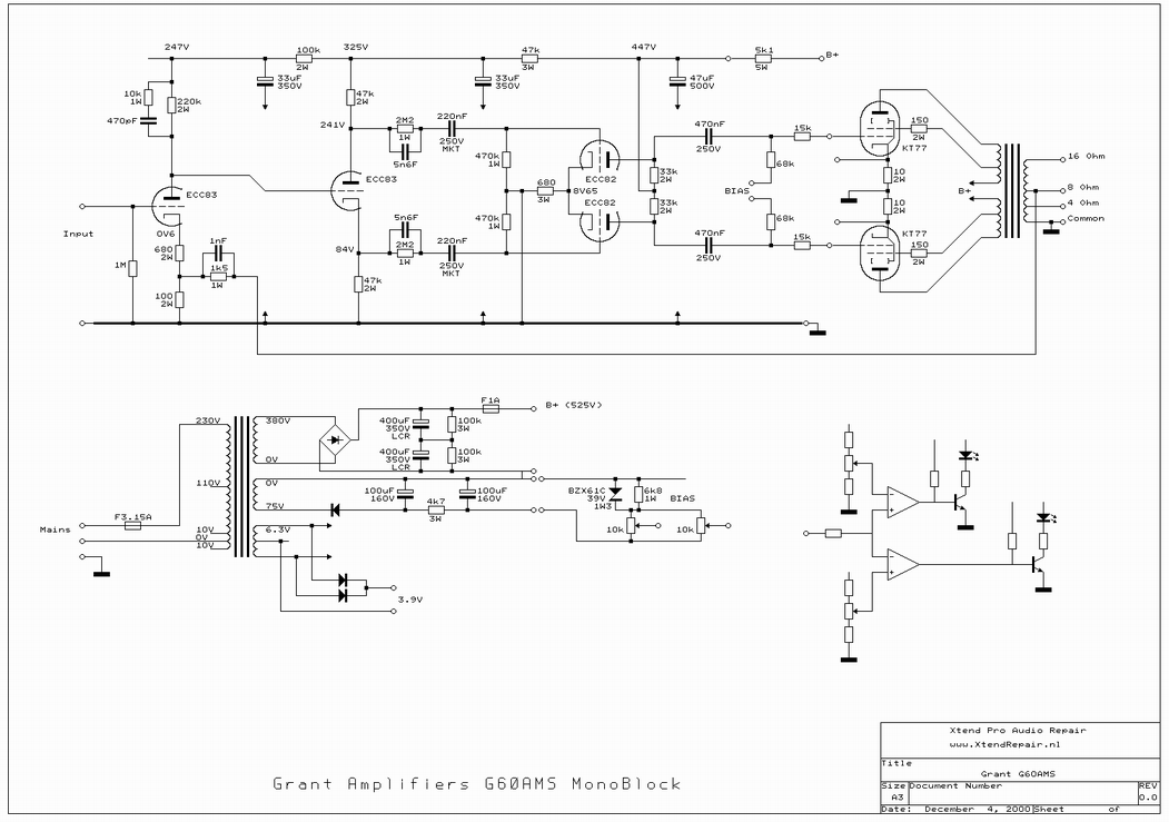
Re:Chào bác Phúc, cho cháu xin mạch amply đèn 100w 25 Nov 2011 19:38 #771

  • tuyenphuc
  • tuyenphuc's Avatar
  • Offline
  • Administrator
  • Posts: 536
  • Thank you received: 93
  • Karma: 9
Marantz

The administrator has disabled public write access.

Re:Chào bác Phúc, cho cháu xin mạch amply đèn 100w 25 Nov 2011 19:57 #772

  • nguyenthehuy89
  • nguyenthehuy89's Avatar
  • Offline
  • Fresh Boarder
  • Posts: 5
  • Karma: 0
Cháu cảm ơn bác, trong thời gian chờ sơ đồ pre-amply cháu sẽ nghiên cứu những sơ đồ mà bác cho, có gì thắc mắc cháu xin hỏi bác sau, rất mong được sự chỉ dạy của bác.
The administrator has disabled public write access.
Moderators: 10
Time to create page: 0.086 seconds