foto1
Stage Pro-sound
foto1
Stage Pro-lighting
foto1
Tube Amplifier
foto1
Disco Bar
foto1
Karaoke & Bistro Systems
e-mail: soundlightingvn@gmail.com
Phone: +84 903 923 527

MISCELLANEOUS ITEMS

Ai đang truy cập

We have 19 guests and no members online

03041655
Hôm nay
Hôm qua
Tất cả
25
460
3041655

11-10-2025 00:36

Đăng ký/đăng nhập

Welcome, Guest
Username: Password: Remember me

TOPIC: Âm ly đèn Dynaco ST-70

Re: Âm ly đèn Dynaco ST-70 19 Jan 2014 14:00 #1415

  • ngvtanhb
  • ngvtanhb's Avatar
  • Offline
  • Gold Boarder
  • Posts: 218
  • Karma: 0
Hi anh Hoàng,

Anh quyết định lấy mạch pre của trang chủ anh làm luôn hả. Chơi luôn đi anh. Em cũng chơi, DIY thì phải "gan" mới thành công :laugh:
Vậy giải thích giúp em với, thật ra em nhìn không hiểu lắm, nên chưa dám làm, mà hỏi nhiều sợ Chú Phúc rối, giờ thấy anh làm, tiện hỏi anh luôn.
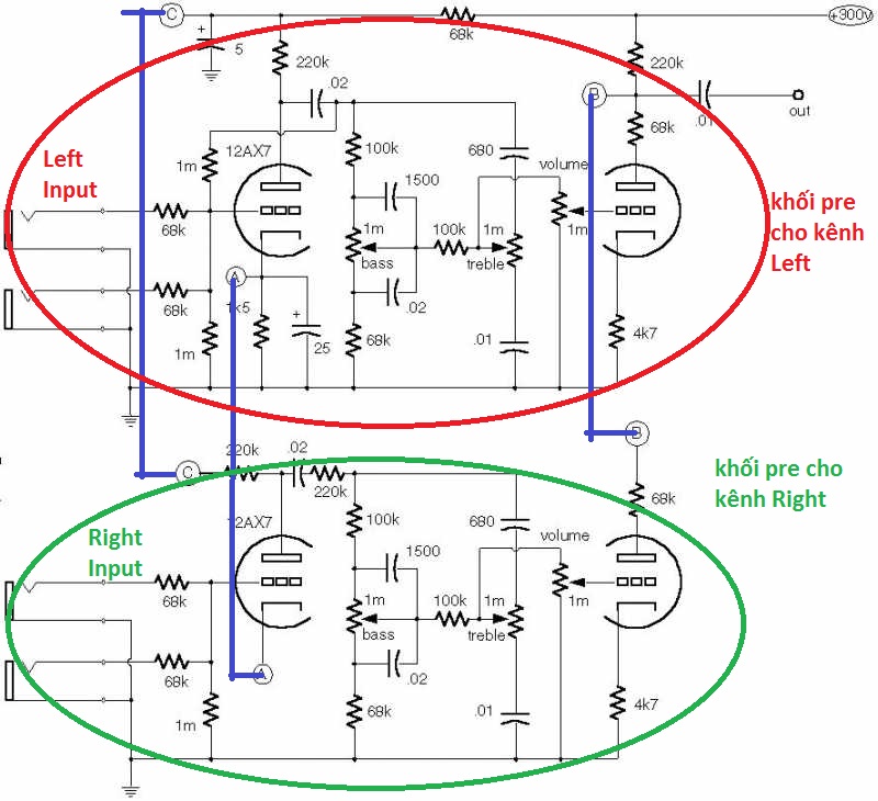
Như hình, em kết nối nháp bên dưới. Anh cho biết có phải, hai khung tròn là cho mỗi kênh không? Hay toàn bộ nó chỉ là một kênh,
Vì nếu mỗi khung cho mỗi kênh, thì em thấy khung màu xanh không có ngõ ra Output đâu hết, có phải mình phải nối thêm 1 tụ từ điểm (B) qua một tụ 0.1 để làm Output không??
Còn nếu toàn bộ hình đó chỉ là một kênh mà hết 2 bóng đèn,
Thì cho hai kênh, hết 4 bóng sao ?

The administrator has disabled public write access.

Re: Âm ly đèn Dynaco ST-70 19 Jan 2014 15:01 #1416

  • hoangt
  • hoangt's Avatar
  • Offline
  • Senior Boarder
  • Posts: 78
  • Thank you received: 4
  • Karma: 0
Trước hết bạn cho mình biết bạn dùng đèn gi? Nếu dùng 12AX7 thì khoẻ rồi. Bạn ghi như vậy là đúng rồi.Trong schema ở dưới đó là kênh phải và giống như trên, từ chân số 5 sau khi qua điện trở 68K là Output của kênh phải. Bạn thực hiện đi, có gì anh em mình trao đổi với nhau.
The administrator has disabled public write access.
The following user(s) said Thank You: ngvtanhb

Re: Âm ly đèn Dynaco ST-70 19 Jan 2014 16:04 #1417

  • ngvtanhb
  • ngvtanhb's Avatar
  • Offline
  • Gold Boarder
  • Posts: 218
  • Karma: 0
Hi Anh Hoàng

Ý anh là sau điện trở 68K là như hình vẽ của em đúng không ?
Em hiện giờ chỉ có 12AX thôi, mà cũng chỉ mua nổi 12AX chứ 6SN7 thì tiền đâu => Em mới mua một mớ đồ, nên dzợ dạo này, có vẻ "nghi ngờ" nên em chưa dám.... xuất chiêu mạnh. Khổ thật anh nhỉ, nghe anh nói có gì xin vợ tiếp.... => y chang em :laugh: :laugh: => Khổ quá làm đàn ông, tiền mình làm ra mà muốn thì phải "xin", Mà thôi, "xin" cho nó có bình yên, chí it có sự đồng ý đôi bên, heee

The administrator has disabled public write access.

Re: Âm ly đèn Dynaco ST-70 19 Jan 2014 16:12 #1418

  • ngvtanhb
  • ngvtanhb's Avatar
  • Offline
  • Gold Boarder
  • Posts: 218
  • Karma: 0
Hi Anh Hoàng!!

Em đang hóng Chú Phúc bình giải để tìm hiểu, mua đầy đủ linh kiện, rồi Tết này về miền trung (xứ sở gỗ lậu, cả làng đều làm thợ mộc). Đóng 1 cái hộp gỗ đỏ xịn, để chưng cho nó "quành tráng". Nên giờ em chưa tiến hành nối dây đâu. phải tính toán lại kích thước từng mạch (PCB) nhỏ, rồi tìm cách đặt chỗ biến thế, mọi thứ cho hài hòa. cũng ráng lôi mấy cái đèn lòi ra cho nó oách, rồi mới tiến hành hành. Sau khi em làm, sẽ show lên nhé, Em đang vẽ hộp, chon linh kiện đủ đo kích thước mới vẽ PCB.
Nên anh làm nhé, em theo dõi anh, có gì "phát biểu" em hưởng ứng lien và cũng bình them gia vị cùng anh :laugh: :laugh:
The administrator has disabled public write access.

Re: Âm ly đèn Dynaco ST-70 19 Jan 2014 17:29 #1420

  • tuyenphuc
  • tuyenphuc's Avatar
  • Offline
  • Administrator
  • Posts: 536
  • Thank you received: 93
  • Karma: 9
@ngvtanhb: Mấy post trước, em đặt câu hỏi nghe đỡ đỡ, sao post này hỏi kỳ vậy? Có hỏi gài bác Hoàng ko?

Đèn 12AX7 và 6SN7 đều là đèn đôi, nghĩa là trong 1 cây có chứa 2 đèn 3 cực, 1 channel chỉ cần 1 cây đèn là đủ, mở to mắt ra mà nhìn cho kỹ datasheet đi. Hãy nghĩ tại sao họ vẽ cung tròn chứ ko phải là vòng tròn.

Cũng cái tật ko chịu đọc kỹ bài tôi viết. Schema này có đôi chỗ khiếm khuyết, channel right cứ ráp y chang channel left là xong, chỉ chung phần cấp điện, khỏi lăn tăn nữa.
tuyenphuc wrote:
Schema này nên ráp phần 2 giống y phần 1. Stereo thì 2 bên phải giống nhau, tôi chưa hiểu ý đồ người vẽ, có lẽ dành cho những người có 2 tai ko giống nhau hay sao đó. :cheer: :cheer:

Tưởng em ráp liền, qua tết tôi sẽ ra lò vài mẫu PCB đa dạng của pre lẫn amp. Hiện giờ đang vẽ chân linh kiện bằng OrCAD, Khá rắc rối vì có nhiều loại, đang nghĩ phải vẽ ra sao.
Last Edit: 19 Jan 2014 17:53 by tuyenphuc.
The administrator has disabled public write access.
The following user(s) said Thank You: ngvtanhb

Re: Âm ly đèn Dynaco ST-70 19 Jan 2014 22:23 #1422

  • hoangt
  • hoangt's Avatar
  • Offline
  • Senior Boarder
  • Posts: 78
  • Thank you received: 4
  • Karma: 0
Đúng rồi đó.Nhưng chú quan tâm làm gì đến schema bên dưới,chú chỉ cần lấy schema trên làm 2 cái y chang nhau là OK,một cái cho 1 kênh trái và một cho kênh phải.Bác P hiện đang dự tính vẽ Layout và làm PCB nếu có sớm thì anh em mình xin mỗi người 2 miếng là A lê hấp vài ngày là xong.Chúc chú về quê ăn tết vui vẽ.À nhớ xin tiền mừng tuổi để vào mà mua linh kiện nghe.
The administrator has disabled public write access.
The following user(s) said Thank You: ngvtanhb

Re: Âm ly đèn Dynaco ST-70 20 Jan 2014 03:29 #1423

  • ngvtanhb
  • ngvtanhb's Avatar
  • Offline
  • Gold Boarder
  • Posts: 218
  • Karma: 0
Hi Chú Phúc, Anh Hoàng !

Vậy là thong suốt rồi ạ. Cám ơn nhiều nhé. có ý kiến sai, được chỉ dẫn, mới thấy nó cô đọng, sự that trước giờ, thấy lăng tăng, không hiểu ý bản vẽ schema lắm, vì that ra bản vẻ dưới, là bản nháp lại của bản trên, và các điểm A,B,C là để nhấn mạnh them sự tương đồng của bản vẽ nháp.

Heeee, Chú Phúc nóng rồi kìa, la dữ quá, mà thiệt Cháu máu quá, nên đọc vội, thấy mê ly nên lật đật tìm cái mình hiểu trước để xem, nên không tường tận hết. Giờ hiểu rồi ạ.
Dạo này tết đến nơi, ngày Nghỉ, vợ/con dí quá, phải đi sắm sửa lung tung, nên giờ rảnh vào web được chỉ dẫn "đã thong kinh mạch" rồi ạ. Vậy là giờ vẽ PCB được rồi

Cám ơn, cám ơn rất nhiều. Có gì hỏi tiếp
Anh Hoàng ơi, Anh tới đâu rồi, có gì anh thấy là lạ, ngờ ngợ cái tay, phát biểu và mách bảo Em với nhé. Chú Phúc thấy vấn đáp cho, để em nắm bắt nữa :)
The administrator has disabled public write access.

Re: Âm ly đèn Dynaco ST-70 20 Jan 2014 03:49 #1425

  • hoangt
  • hoangt's Avatar
  • Offline
  • Senior Boarder
  • Posts: 78
  • Thank you received: 4
  • Karma: 0
chào.SÁNG đến giờ mình vừa rap xong ,mặc dầu còn dây dợ lung tung và do mình không kiếm đủ linh kiện nên cứ nối 2 điện trở để có con số gần trị số theo schema ví dụ không có 68K mình kiếm 2 con 33K nối với nhau.nhưng mà em đã cất tiếng hót thánh thót âm thanh chi tiết,sạch...Mình sẽ kiếm linh kiện,tụ đúng trị số nhất là tụ liên lạc(schema là .01 nhưng chưa có nên đang xài tạm .5/630v..Công trình thai nghén lâu nay đã hoàn thành.Hoan hô tui và cám ơn mọi người,đặc biệt là Bác Phúc ,xin cám ơn Bác.Nếu đã nắm chắc schema thì cũng không khó.Làm đi
The administrator has disabled public write access.

Re: Âm ly đèn Dynaco ST-70 20 Jan 2014 05:14 #1426

  • ngvtanhb
  • ngvtanhb's Avatar
  • Offline
  • Gold Boarder
  • Posts: 218
  • Karma: 0
Hi Anh Hoàng

Vỗ tay, vộ tay chúc mừng anh.

Em nghe nói 6SN7 đắt hơn 12AX, nên em kg dám nghĩ, thôi an phận với 12AX thôi
bữa nào Show hình lên anh nhé :)
The administrator has disabled public write access.

Re: Âm ly đèn Dynaco ST-70 20 Jan 2014 14:21 #1427

  • hoangt
  • hoangt's Avatar
  • Offline
  • Senior Boarder
  • Posts: 78
  • Thank you received: 4
  • Karma: 0
Chào chú.Theo tôi nghĩ chú nên kiếm đèn 6SN7 để ráp>Nếu chưa đủ tiền thì dùng tạm 6SN7 của TQ hoaa85c của Nga giá chỉ chừng 200.000đ/1 cặp khi có tiền thì chơi luôn đèn Mỹ khoãng 400-500.000đ/cặp,chứ 12AX7 cũng đâu có rẽ hơn(của Mỹ cũng 500-600.000đ /cặp rồi)mà chất âm được mọi người khen nhiều.Hơn nữa 12AX7 có 9 chân và bóng nhỏ không oách.Nếu bây giờ không làm sẵn cho đế 8 chân( đế 9 chân nhỏ hơn) khi muốn thay đổi thì phải thay mặt trên của chassis mới lại chọc vợ chưỡi,mà không thay đổi thì ăn ngũ không yên.Vài lời khuyên trước khi chú làm.Tôi có thể giúp chú mua đèn Mỹ giá rẽ và lại nhờ chú mua giúp tụ,điện trở.Có gì 2 anh em mình giúp nhau nhé.Tôi cũng là dân miền trung.Qua tết tôi lại bắt tay vào thực hiện Power Amp Dynaco ST 70.Bây giờ tạm cho mỏ hàn nghỉ và nịnh vợ để xin tiền mua cặp đèn 6L6 cũa Mỹ( Đèn Nga thì rẽ tiền)
The administrator has disabled public write access.
Moderators: 10
Time to create page: 0.091 seconds